Reduce and Eliminate Scope 1 and 2 Emissions

Identify and quantify the source of the emissions. Then, evaluate project options to eliminate those emissions and model their impact on reduction targets and business performance.

Contact us

ERTC Energy Transition Solution of the Year 2025
Tropical Seabed With Reef And Sunshine

What are the Sources of My Assets’ Scope 1 and 2 Emissions

Scope 1 and 2 emissions are those the assets produce or produce on their behalf. Process and Energy modeling will identify, map and quantify Scope 1 and 2 emissions at each asset. Most will derive from burning fossil fuels.

Download the brochure

How Low Can You Go?

How Much Emissions Should Be Produced Now?

Use Best-Technology and Heat Integration analyses to assess accurately and quickly where energy demand is inefficient and therefore where emissions are more than required when compared to the global industry's best performers.

What About Burning Hydrogen Instead of Carbon Fuels?

Identify candidates for hydrogen firing. Accurately model new sources of hydrogen (all colors) from within or outside an asset's battery limits. SMRs, ATRs, Electrolyzers are all evaluated along with their own feedstock and energy consumption requirements and greenhouse gas emissions profiles, integrated into the asset process and utility maps. Evaluate the impact on fuel gas balances.

Why Not Use Electrical Heating Instead of Burning Fuels?

Identify specific operating candidates for electrical heating. Evaluate electrical demand and renewable power sources, such as wind and solar. Model on-site electricity generation from steam and direct fired-turbines. Size storage to allow for renewables variability based on forecast wind and solar patterns.

Can The Asset Capture Greenhouse Gasses Before Emission?

Identify major greenhouse gas emissions at source. Evaluate and size carbon capture technologies such as absorption, adsorption, cryogenic and PSA, including impact on energy demand. Evaluate process specific carbon capture technologies such as high-temp tolerant amine systems.

Can We Produce Green Hydrogen and Replace the Grey Hydrogen SMR Plant?

The SMR hydrogen production plants normally emit approximately 10 tonne CO2 per tonne of H2. Replacing them with a green hydrogen plant using a water electrolyser, the CO2 emissions are reduced significantly.

Process and Utility Modeling to Eliminate Scope 1 and 2 Emissions

Using detailed and accurate process and energy models to evaluate their impact on emissions reduction, carbon intensities, process integration and business performance.

Carbon/Energy Intensity Calculations
Low/No Emissions Hydrogen Production
Carbon Capture
Safe Operation of Green Hydrogen Production
Electrification
Carbon Rejection

Using Petro-SIM® modeling to calculate all product carbon intensity values

Petro-SIM has built-in capabilities to calculate and allocate energy intensities, including allowing for inefficient energy performance, to accurately calculate individual carbon intensities.

Find out about Petro-SIM

Petro-SIM modeling green hydrogen production technologies

Petro-SIM v7.4 can now accurately model green hydrogen production producing technologies. The following electrolyser models are now available: Alkaline, Proton Exchange Membrane and Solid Oxide. Engineers can design and create digital twins of an entire green energy process. The need of a computer tool for engineering design, operation, optimization and even for R&D is now in high demand. With the careful planning and due diligent engineering work, operators can also be able to achieve relatively low hydrogen production costs, and enjoy substantial tax credits, which at this moment in the U.S. could be up to 3 US$/kg of hydrogen, if the lifecycle GHG missions don’t exceed 0.45 kg CO2e/kg H2.

Modeling of carbon capture technologies

Petro-SIM has detailed modeling of all major carbon capture technologies, such as chemical absorption processes, physical adsorption, cryogenic, and pressure swing capture technologies, including emerging high-temperature process technologies for FCC stack carbon capture.

The detailed behavior of carbon dioxide transport can be modeled using KBC's Multiflash® and subsequent geo-sequestration can be modeled using Maximus®, fully integrated with Petro-SIM.

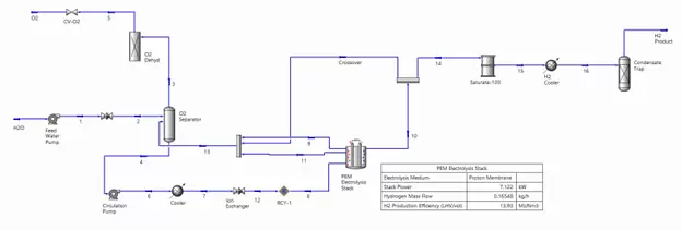
Petro-SIM modeling hydrogen crossover in electrolysers

Membrane degradation in electrolysers can cause a hazardous phenomenon called hydrogen crossover, also known as hydrogen-to-oxygen (HTO). Hydrogen migrates from the cathode to the anode side contaminating the oxygen product during the water electrolysis. If the hydrogen concentration exceeds 2% it poses a great hazard, this threshold has been agreed in the International Standard ISO22734. The enhanced water electrolyser model implemented in the Petro-SIM v7.5 considers the contributions of diffusion and convection to the mass flux of HTO, using the hydrogen concentration and operating pressure differences between the cathode and anode as the driving forces for mass transfer.

Modeling impact of electrification

Petro-SIM gives a comprehensive plant view of integrated processes and electrical power users allows for studies of the impact of electricity use on fuel gas balance, steam balance, and utility systems to maintain balance and optimize emissions reduction. This includes an extensive library of gas turbine makes and models. The Visual MESA® toolkit allows for the evaluation of designs and real-time optimization of renewable energy sources, such as wind and solar, including accounting for forecast variability over any time frame to maximize the use of green electrical sources

Model treatment of captured carbon dioxide for drying, liquefaction, and transport

KBC’s suite of tools includes Maximus and Multiflash which model the compression, liquefaction, pumping, and geo-sequestration of carbon dioxide from a hydraulic and thermodynamic perspective. This allows accurate sizing and costing of these systems and thereby their impact on business performance and returns.

0
Olefin plant

Decarbonization of an Olefin Plant

Our solution enables organizations to effectively track carbon footprint and mange energy consumption. It provides actionable insights to reduce emissions. Our platform allows you to monitor GHG emissions, apply different decarbonization strategies through simulation to lower the emissions and select the most economical feasible, environmentally efficient option.
Petro-SIM simulation helps you in evaluating and investigating the decarbonization strategies of olefin plant steam crackers, with minor changes to the current steam cracker furnace. 

These offered strategies include:

  • Carbon capture and utilization
  • Hydrogen integration
  • Process optimization and energy efficiency improvement
  • Process optimization and reduce emission
Signpost with three arrows

Mapping Carbon Capture Options for Petrochemicals Plants

A client in Asia needed a comprehensive assessment of carbon capture technologies at five industrial sites. This included an assessment of technology options, the impact of each option on Scopes 1 and 2 emissions, integration of new emissions reduction investments on existing plant balances, and economic evaluations of best options.

Álvaro Bolibar - Profile Picture

Álvaro Bolibar

Senior Consultant & Team Lead

Meet our expert on Energy Management and Emissions Reduction

“My excitement at working on the Visual MESA real-time energy optimization solutions is that we can offer world-class technology solutions, which allow our clients to optimize their energy usage and emissions reduction in either open loop (operator initiated optimization) or closed loop (automatic optimization) environments. This is where digitalization and technology can result in achieving our clients’ decarbonization goals immediately.”

More on this expert